
-
Проект перевода крана на управление с пола посредством радиоуправления
-
Проект на управление кранов при помощи частотных преобразователей
-
Проект на подкрановые пути для подвесных кран-балок;
-
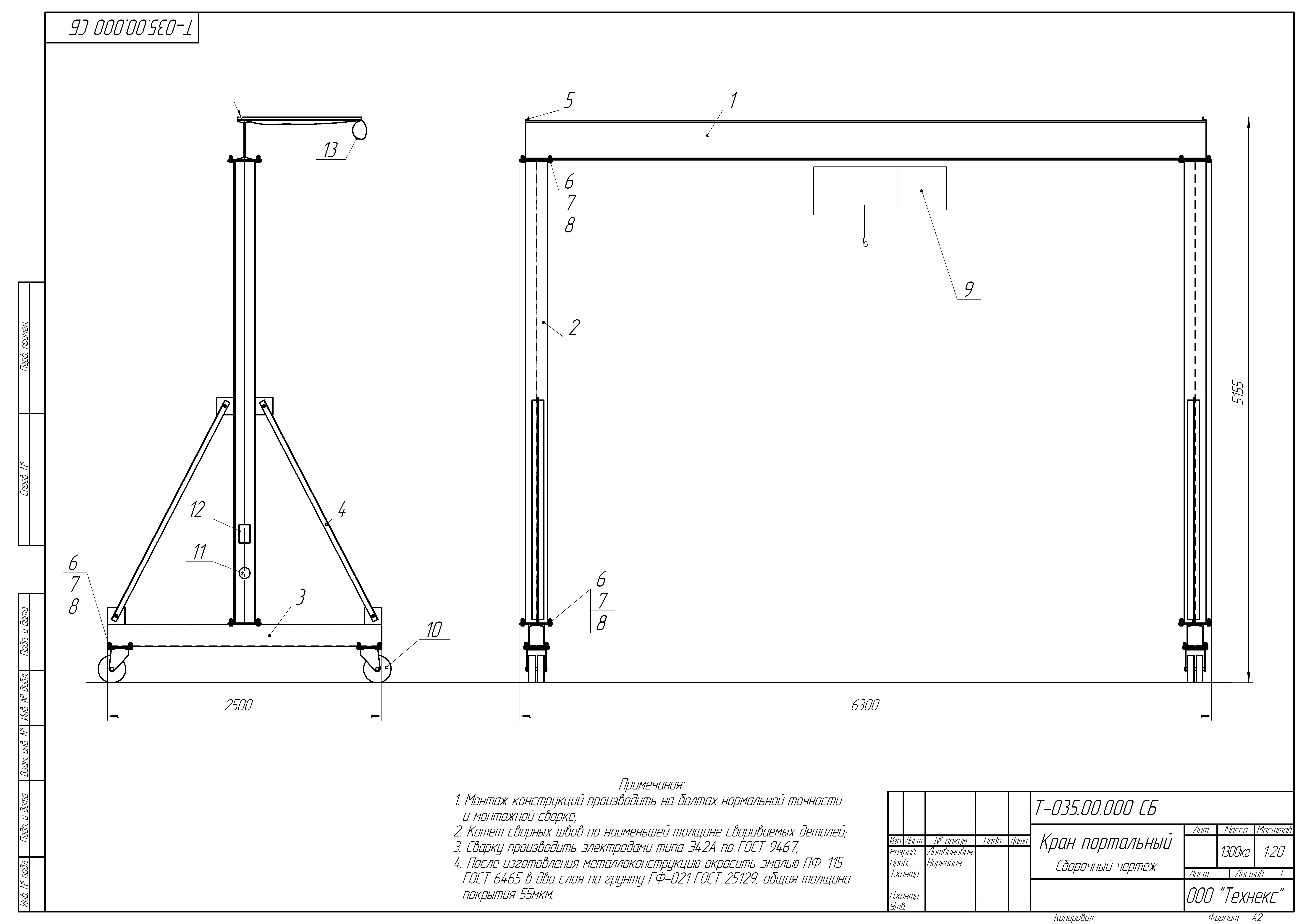
Проект на подкрановые пути (наземные) для козловых кранов;
-
Дубликат паспорта крана;
-
Проект на изменение металлоконструкций кранов;
-
Проект на нестандартное грузоподъемное оборудование и оснастку;
-
Проект перевода крана на управление с пола, используя электрокабель управления
-
и многие другие.
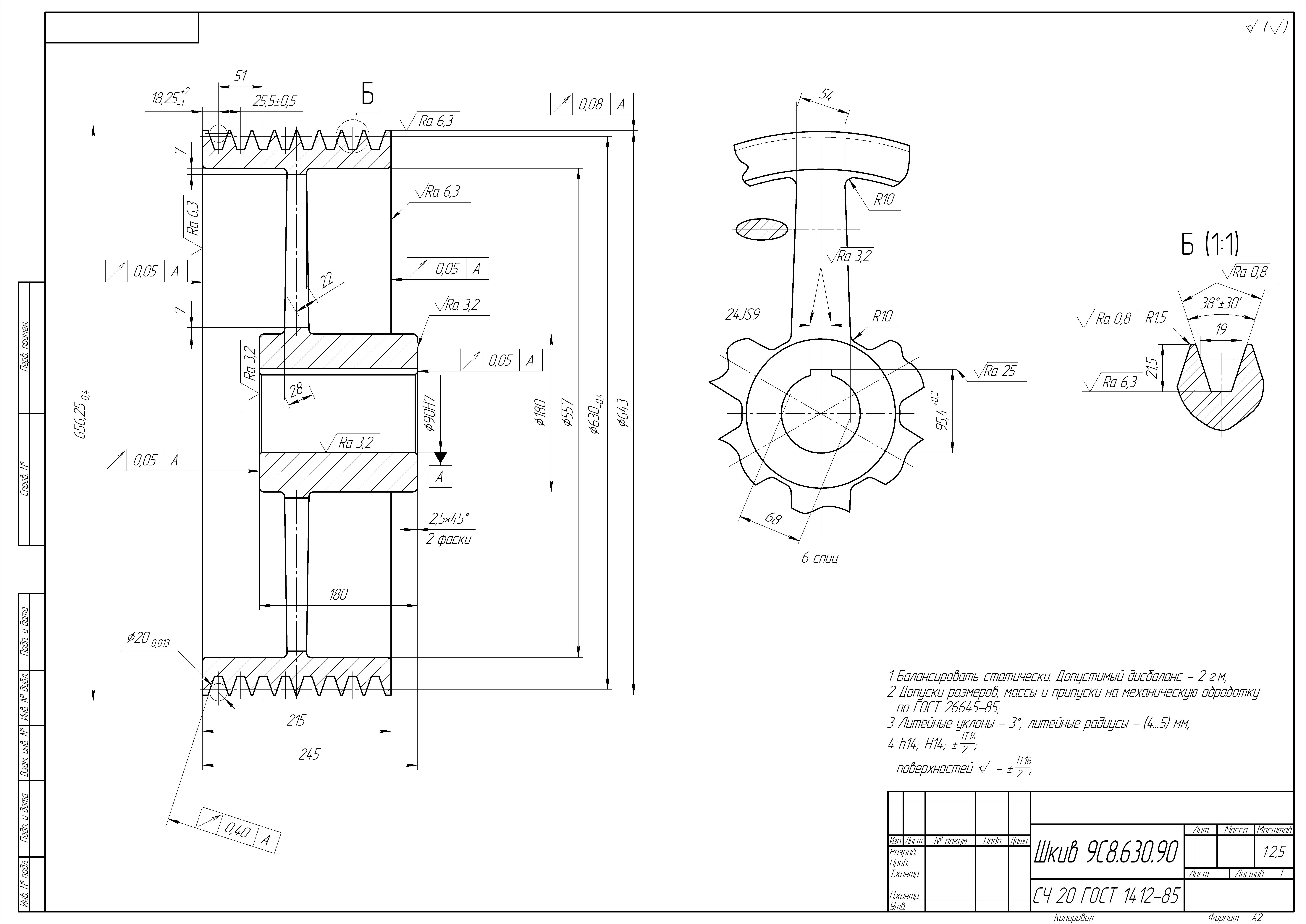
Примеры наших работ:
.jpg)
.jpg)
.jpg)
.jpg)
.jpg)
.jpg)
.jpg)
.jpg)




Разработка любого проекта начинается с составления технического задания. На этом этапе необходимо участие как проектной организации, так и представителя заказчика. Это один из самых сложных этапов, на котором собирается необходимая для разработки проекта информация и уточняются требования и пожелания клиента. После сбора информации мы определяем стоимость работ и выставляем Вам коммерческое предложение, которое содержит всю необходимую информацию: стоимость, состав, сроки работ и условия оплаты. После согласования всех условий мы заключаем договор и начинаем работу. В случае если реализацией проекта занимается другая компания, наш специалист окажет консультационную поддержку до полной реализации проекта. Компания Технекс готова выполнить полный комплекс услуг, начиная от идеи и заканчивая сдачей готового объекта в эксплуатацию. Наши преимущества это квалифицированные специалисты, широкая материально-техническая база и Лицензия Госпромнадзора № 02300/ 1160-1 действительна по 12 февраля 2017 года. Постоянным клиентам мы предоставляем скидки.
Для получения дополнительной информации вы можете проконсультироваться у наших специалистов по телефонам:
Тел/факс:+375-17-33-666-92; МТС:+375-29-509-14-65; А1:+375-29-1-486-486
или отправить заявку на электронный адрес: Адрес электронной почты защищен от спам-ботов. Для просмотра адреса в вашем браузере должен быть включен Javascript.



